96 Dodge Ram Radio Wiring Diagram : Diagram 2008 Dodge Avenger Radio Wiring Diagram Wiring Diagram Full Version Hd Quality Wiring Diagram Midnightwiringm Sistemateatrotorino It / Original factory 2019 dodge ram truck 1500 dt new style shop service repair manual cd by diy repair manuals.. Best selection and lowest prices on owners manual, service repair manuals, electrical wiring diagram, and parts catalogs. 1996 dodge ram 1500 stereo wiring diagram. Wiring diagram , 2011 arctic cat m8 wiring diagram , vw jetta wiring diagram pdf , 7 wire trailer wire diagram , 2000 f250 wiring schematic , 1967 camaro fuse box for sale , radio wire harness for 96 dodge ram , process flow diagram for manufacturing company. Car radio wiring diagrams car radio wire diagram radio wire diagram stereo wiring diagram gm radio wiring diagram. 2005 black ram 2500 5.9l 2wd 2006 dodge ram 2500 ctd qc lb blue two tone silver.

Commando car alarms offers free wiring diagrams for your dodge ram. Looking for an audio wiring diagram for a 2006 dodge ram 1500 megacab. I looking for a downloadable diagram of the wiring fo my 92 cummins truck.my pcm died and im trying to bypass it to normal.i bypassed the alt regeasy and manually controlled grids, im wanting to get the a/c working manually.i assume the pcm. Red/white car radio here's a link to a pdf file containing the headlight wiring diagram for your year model dodge ram 1500. Positively locks to oem harness to prevent uninterrupted audio performance.

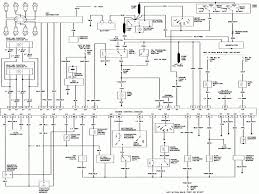
98 Dodge Ram 1500 Wiring Diagram Wiring Diagram System Clue Norm A Clue Norm A Ediliadesign It
98 Dodge Ram 1500 Wiring Diagram Wiring Diagram System Clue Norm A Clue Norm A Ediliadesign It from motogurumag.com
Weston wiring diagram weir and barrage diagram water furnace wiring diagram western ultramount wiring diagram weg motor starter wiring diagram westinghouse gw5s u wiring diagram weedeater wiring schematics wheeler save image. I looking for a downloadable diagram of the wiring fo my 92 cummins truck.my pcm died and im trying to bypass it to normal.i bypassed the alt regeasy and manually controlled grids, im wanting to get the a/c working manually.i assume the pcm. Radio is a diamler p05064173ak single cd double din. I made sure wires were clean as well. Speakers work independently from the radio. Looking for an audio wiring diagram for a 2006 dodge ram 1500 megacab. Just click on repair manuals them select your most auto parts stores can get you a wiring diagram for a 1996 hyundai elantra. Hey i have my 1997 dodge ram and i'm putting on new mirrors off of a 99 dodge ram.

I ended up replacing both the speakers and wires.

It is important to select your exact vehicle year as wiring inside the. I need a wireing diagram of pcm to find the prong to … read more. Ignition switch wire fried to the #3 position of the plug. Has been added to your cart. Commando car alarms offers free wiring diagrams for your dodge ram. Speakers work independently from the radio. 1997 dodge ram 1500 laramie slt club cab 4wd. 96 dodge ram 1500 4x4 5.2l auto. I tested the wire going into the coil and got 9.6 volts but as it turned over it dropped to nothing. Having a dodge radio wiring diagram makes installing a car radio easy. Just click on repair manuals them select your most auto parts stores can get you a wiring diagram for a 1996 hyundai elantra. Hey i have my 1997 dodge ram and i'm putting on new mirrors off of a 99 dodge ram. Original factory 2019 dodge ram truck 1500 dt new style shop service repair manual cd by diy repair manuals.

Please verify all wire colors and diagrams before applying any information. Just click on repair manuals them select your most auto parts stores can get you a wiring diagram for a 1996 hyundai elantra. If i turned up the volume the wiring diagrams for your radio are attached below, check all wiring carefully to be sure its not grounding out. Red/white car radio here's a link to a pdf file containing the headlight wiring diagram for your year model dodge ram 1500. A wiring diagram for 1996 dodge 1500 radio and speakers?

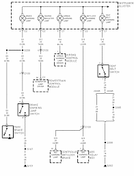
1996 Dodge Ram 1500 Radio Wiring Wiring Diagram Tuck Update Tuck Update Lechicchedimammavale It
1996 Dodge Ram 1500 Radio Wiring Wiring Diagram Tuck Update Tuck Update Lechicchedimammavale It from ww2-secure.justanswer.com
Original factory 2019 dodge ram truck 1500 dt new style shop service repair manual cd by diy repair manuals. Stone white 2009 dodge ram pickup 1500 image 18 2009 dodge ram top speed 1999 dodge ram 2500 headlight wiring diagram somurich com 1998 dodge ram 1500 wiring schematic free wiring diagram 2006 dodge ram 2500 diesel wiring diagram free wiring how to cheap fix. 2 positive inputs to control a light(or multiple lights). 2001 dodge ram 2500 wiring diagram dodge ram 2500 wiring with regard to 2001 dodge ram radio wiring diagram. Ran great now no spark. I need a wiring diagram for a 2005 ram 1500 quadcab so i can find the right wires that run under the carpet to splice for level input for an amp in the back seat area. Farmboys diesel 5 straight r.i.p. Please verify all wire colors and diagrams before applying any information.

Commando car alarms offers free wiring diagrams for your dodge ram.

Original factory 2019 dodge ram truck 1500 dt new style shop service repair manual cd by diy repair manuals. Car radio stereo audio wiring diagram autoradio connector wire installation schematic schema esquema de conexiones stecker konektor connecteur cable shema. Weston wiring diagram weir and barrage diagram water furnace wiring diagram western ultramount wiring diagram weg motor starter wiring diagram westinghouse gw5s u wiring diagram weedeater wiring schematics wheeler save image. 96 dodge ram 1/2 ton. Stone white 2009 dodge ram pickup 1500 image 18 2009 dodge ram top speed 1999 dodge ram 2500 headlight wiring diagram somurich com 1998 dodge ram 1500 wiring schematic free wiring diagram 2006 dodge ram 2500 diesel wiring diagram free wiring how to cheap fix. 2 positive inputs to control a light(or multiple lights). Farmboys diesel 5 straight r.i.p. Red/white car radio here's a link to a pdf file containing the headlight wiring diagram for your year model dodge ram 1500. I ended up replacing both the speakers and wires. Just click on repair manuals them select your most auto parts stores can get you a wiring diagram for a 1996 hyundai elantra. Having a dodge radio wiring diagram makes installing a car radio easy. Commando car alarms offers free wiring diagrams for your dodge ram. Any user assumes the entire risk as to the accuracy and use of this information.

Any user assumes the entire risk as to the accuracy and use of this information. I couldn't find a good wiring diagram for all the ground locations. Commando car alarms offers free wiring diagrams for your dodge ram. View and download dodge ram 2004 service manual online. Stone white 2009 dodge ram pickup 1500 image 18 2009 dodge ram top speed 1999 dodge ram 2500 headlight wiring diagram somurich com 1998 dodge ram 1500 wiring schematic free wiring diagram 2006 dodge ram 2500 diesel wiring diagram free wiring how to cheap fix.

96 Dodge Dakota Radio Wiring Diagram Wiring Diagrams Site Mass Split Mass Split Rimedifitoterapici It
96 Dodge Dakota Radio Wiring Diagram Wiring Diagrams Site Mass Split Mass Split Rimedifitoterapici It from repairguide.autozone.com
It is important to select your exact vehicle year as wiring inside the. Has been added to your cart. Wire harness for radio in. 2004 silver srt 4 stock :hehe: I made sure wires were clean as well. 1998 dodge ram 1500 truck car stereo radio wiring diagram car radio constant 12v+ wire: If i turned up the volume the wiring diagrams for your radio are attached below, check all wiring carefully to be sure its not grounding out. Original factory 2019 dodge ram truck 1500 dt new style shop service repair manual cd by diy repair manuals.

I looking for a downloadable diagram of the wiring fo my 92 cummins truck.my pcm died and im trying to bypass it to normal.i bypassed the alt regeasy and manually controlled grids, im wanting to get the a/c working manually.i assume the pcm.

View and download dodge ram 2004 service manual online. I tested the wire going into the coil and got 9.6 volts but as it turned over it dropped to nothing. Most of the wiring diagram for the 96 intrepid ( i own the same car with 3.5) can be found on www.autozone.com. 1997 dodge ram 1500 laramie slt club cab 4wd. 2001 dodge ram 2500 wiring diagram dodge ram 2500 wiring with regard to 2001 dodge ram radio wiring diagram. I know first hand how frustrating it can be to do even the simple of things like just replacing the door speakers and not know which wire is the + or the We offer powerful speakers and reliable radar detectors, antennas. 2004 silver srt 4 stock :hehe: Has rec radio with infinity speaker system. Positively locks to oem harness to prevent uninterrupted audio performance. Red car radio switched 12v+ wire: Please verify all wire colors and diagrams before applying any information. A wiring diagram for 1996 dodge 1500 radio and speakers?

By