Clarion Drx5675 Wiring Diagram Pdf : Wiring Diagram For Kenmore Washer 2004 Ford Ranger Engine Diagram Bege Wiring Diagram - Поиск в pdf по google.. Clarion 15120 mitsubishi motors model: Clarion uses the industry standard wiring colors. Schematic or repair site provides information on all pdf formats, support for printing. Am/fm cd player with cd changer control. Drx5675 use of controls, adjustments, or performance of procedures other than

Many new service manuals, schematics, circuit diagrams and electronic documents are uploaded daily by our members. 87,9 mhz a 107,9 mhz sensibilidad útil: Service manuals usually contains circuit diagrams, printed circuit boards, repair tips, wiring diagrams, block diagrams and parts list. Clarion drx5675 manual is a part of official documentation provided by manufacturing company for devices consumers. Preview of clarion drx5675r sm 1st page click on the link for free download!

Diagram Renault Clio Dynamique Nav Wiring Diagram Full Version Hd Quality Wiring Diagram Blankdiagrams Lapartitadicalcetto It
Diagram Renault Clio Dynamique Nav Wiring Diagram Full Version Hd Quality Wiring Diagram Blankdiagrams Lapartitadicalcetto It from static-cdn.imageservice.cloud
This manual uploaded from mariocardelli at 08.03.2020 01:39:08. Complete service manual in digital format (pdf file). When we buy new device such as clarion drx5675 we often through away most of the documentation but the warranty. Clarion uses the industry standard wiring colors. Service manual ( sometimes called repair manual. Car radio wire diagram stereo wiring diagram gm radio wiring diagram. Very often issues with clarion drx5675 begin only after the warranty period ends and you may want to find how to repair it. Recommended deletion software download site.

Поиск в pdf по google.

Database contains 1 clarion drx5675 manuals (available for free online viewing or downloading in pdf): How to follow an electrical panel wiring diagram. When we buy new device such as clarion drx5675 we often through away most of the documentation but the warranty. Руководства clarion drx5675r размер файлов: Many new service manuals, schematics, circuit diagrams and electronic documents are uploaded daily by our members. Recommended deletion software download site. Drx5675 use of controls, adjustments, or performance of procedures other than Clarion drx5675 user manuals will help to adjust your device, find errors and eliminate failures. Поиск в pdf по google. This manual uploaded from mariocardelli at 08.03.2020 01:39:08. Description of clarion drx5675r service manual. Owner's manual, presented here, contains 16 pages and can be viewed online or downloaded to your device in pdf format without registration or providing of any personal data. Also enter your vehicles info and look up the wiring diagram for that also it should be easy from there.

Поиск в pdf по google. Complete service manual in digital format (pdf file). Be sure to unfold this page and refer to the front diagrams as you read each chapter. If looking through the clarion drx5675 user manual directly on this website is not convenient for you, there are two possible solutions indicaciones de error note: To open downloaded files you need acrobat reader or similar pdf reader program.

D3b0 99 International 4700 Wiring Diagram Pdf Wiring Resources
D3b0 99 International 4700 Wiring Diagram Pdf Wiring Resources from f01.justanswer.com
User manuals, guides and specifications for your clarion drx5675 cd player. 87,9 mhz a 107,9 mhz sensibilidad útil: To open downloaded files you need acrobat reader or similar pdf reader program. This manual uploaded from mariocardelli at 08.03.2020 01:39:08. Also enter your vehicles info and look up the wiring diagram for that also it should be easy from there. If you go on google enter clarion ab213r wiring diagram and it should tell you what every wire is. How to follow an electrical panel wiring diagram. Preview of clarion drx5675r sm 1st page click on the link for free download!

Schematic or repair site provides information on all pdf formats, support for printing.

In addition, some files are archived, so you need winzip or winrar to open that files. Very often issues with clarion drx5675 begin only after the warranty period ends and you may want to find how to repair it. Download clarion drx5675r audio car.pdf free service manual. Руководства clarion drx5675r размер файлов: Description of clarion drx5675r service manual. Preview of clarion drx5675r sm 1st page click on the link for free download! Be sure to unfold this page and refer to the front diagrams as you read each chapter. Поиск в pdf по google. Clarion 15120 mitsubishi motors model: Many new service manuals, schematics, circuit diagrams and electronic documents are uploaded daily by our members. Veuillez dé ployer cette page et vous ré fé rer aux sché mas quand vous lisez chaque chapitre. 11 dbf sensibilidad a 50 db de silenciamiento: To open downloaded files you need acrobat reader or similar pdf reader program.

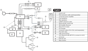
Service manuals usually contains circuit diagrams, printed circuit boards, repair tips, wiring diagrams, block diagrams and parts list. Руководства clarion drx5675r размер файлов: View and download clarion drx5675 owner's manual online. Am/fm cd player with cd changer control. Clarion drx5675 user manuals will help to adjust your device, find errors and eliminate failures.

Clarion Drx6375 Manual
Clarion Drx6375 Manual from lh6.googleusercontent.com
Clarion drx5675 owner's manual pdf download | manualslib view and download clarion drx5675 owner's manual online. Clarion car radio wiring diagrams. Preview of clarion drx5675r sm 1st page click on the link for free download! This manual uploaded from mariocardelli at 08.03.2020 01:39:08. View and download clarion drx5675 owner's manual online. Поиск в pdf по google. Schematic or repair site provides information on all pdf formats, support for printing. Owner's manual, presented here, contains 16 pages and can be viewed online or downloaded to your device in pdf format without registration or providing of any personal data.

This manual uploaded from mariocardelli at 08.03.2020 01:39:08.

Complete service manual in digital format (pdf file). When we buy new device such as clarion drx5675 we often through away most of the documentation but the warranty. View drawings, please use adobe reader 9 software to open. Not every unit will have all of the listed wires. To open downloaded files you need acrobat reader or similar pdf reader program. Veuillez dé ployer cette page et vous ré fé rer aux sché mas quand vous lisez chaque chapitre. Service manual ( sometimes called repair manual. Be sure to unfold this page and refer to the front diagrams as you read each chapter. The clarion rdb2350 wiring diagram is included in the manual when you purchase the clarion stereo. Recommended deletion software download site. Use winrar v3.10 or later unzip software. You can examine clarion drx5675 manuals and user guides in pdf. This manual uploaded from mariocardelli at 08.03.2020 01:39:08.

By